Producători

Newsletter

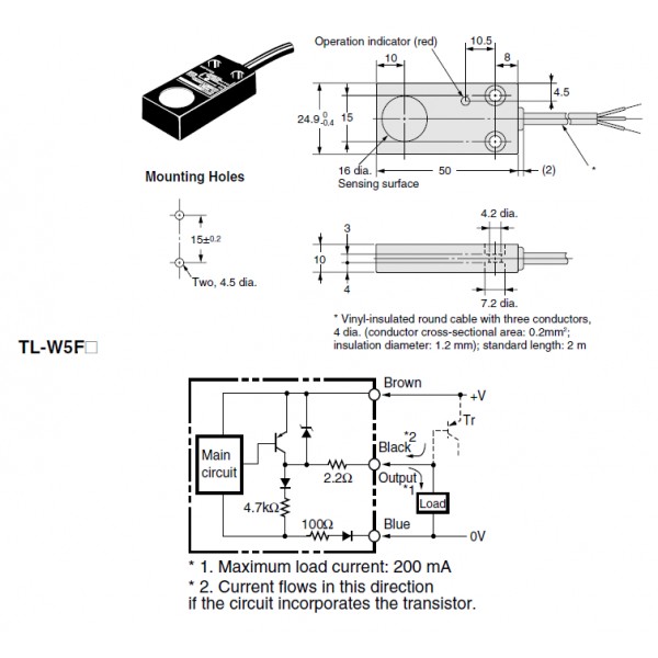
TL-W5F2 Afisare la marime maxima

TL-W5F2

Senzor de proximitate inductiv, paralelipipedic, iesire PNP-OC, NC, distanta de sesizare 5 mm

Mai multe detalii

TL-W5F2

Disponibilitate: Intrebati pentru termenul de livrare

Pret cu TVA: 77,59 €

TL-W5F2 este un senzor de proximitate inductiv, paralelipipedic, cu iesire PNP-OC, NC. Distanta de sesizare este de 5 mm. Senzorul este precablat, lungimea cablului fiind 2m.

  • Tensiune de alimentare: 10 - 30 Vdc
  • Tip iesire: PNP - OC; NC
  • Cablu: Integrat, 2m
  • Distanta de sesizare: 5 mm
  • Tip senzor: Inductiv, paralelipipedic
  • Standard de protectie: IP67