Producători

Newsletter

TL-W5E2 Afisare la marime maxima

TL-W5E2

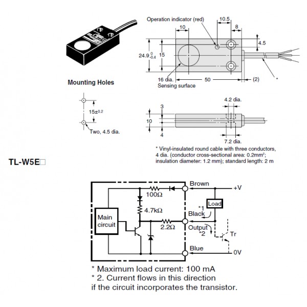
Senzor de proximitate inductiv, paralelipipedic, iesire NPN-OC, NC, distanta de sesizare 5 mm

Mai multe detalii

TL-W5E2

Disponibilitate: Intrebati pentru termenul de livrare

Pret cu TVA: 79,54 €

TL-W5E2 este un senzor de proximitate inductiv, paralelipipedic, cu iesire NPN-OC, NC. Distanta de sesizare este de 5 mm. Senzorul este precablat, lungimea cablului fiind 2m.

  • Tensiune de alimentare: 10 - 30 Vdc
  • Tip iesire: NPN - OC; NC
  • Cablu: Integrat, 2m
  • Distanta de sesizare: 5 mm
  • Tip senzor: Inductiv, paralelipipedic
  • Standard de protectie: IP67